广告:时间还剩10
 
免费订阅一年期杂志
天线 解决方案 信号分析
技术文章
 
RFMD公司GaN(Gallium Nitride)大功率放大器解决方案
录入时间:2012-9-17 17:46:15

RFMD 公司致力于大功率GaN工艺产品的开发与相应的解决方案。目前,GaN工艺产品正逐渐的应用于雷达,航空,有线电视,南宫在线官方网 和民用基站等相关领域。

大功率GaN工艺PA相比较于现存应用广泛的LDMOS工艺PA,具有带宽宽,线性好,效率高等优点,而又由于GaN内部的Die功率密度高,因此其外部匹配相比LDMOS工艺更易实现。

RFG1M09180 是RFMD公司推出的一款高功率的可应用于商用基站,军用通讯等领域的GaNPA。其典型的频段范围是从700MHz~1000MHz,可应用于WCDMA和LTE 制式。外加+48V 电压,在输入高峰均比信号的情况下,具有高效率和宽带情况下增益平坦的特点。RFG1M09180内部将一个输入匹配的GaN晶体管封装于空腔陶瓷包装中,具有极好的热稳定性。通过简单,易于调试的外部匹配可以实现宽带增益,高效率和高线性。

利用先进的GaN HEMT 工艺,可以达到超过240W的峰值调制功率。单一的外部匹配电路既可实现865M~960MHz的宽带匹配,同时最大程度的改善视频带宽和减少记忆的影响。RFG1M09180漏极供电典型电压值为+48V,栅极为负压供电。通过调整栅极电压,调整器件的最佳静态工作点。其具体应用电路见图1所示。

 

图1. RFG1M09180电路原理图

RFG1M09180在+48V漏极供电的情况下,输出功率Pout可以达到47dBm,增益达20dB,漏极效率可达39%,ACP为-32.5dBc,在采用DPD (数字预失真)的情况下,ACP可以达到-55dBc。其3GPP具体测试指标见图2所示。

 


2. RFG1M09180PA3GPP信号输入下测试指标

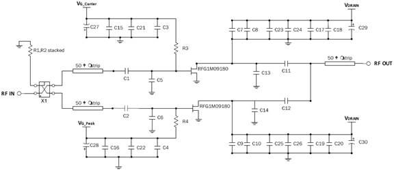
在民用基站应用中,Doherty放大器被广泛采用。Doherty放大器是由carrier放大器和peaking放大器组成,分别工作于AB类和C类状态,根据有源阻抗调制的原理实现功率合成。可以在输入高峰均比信号的情况下,实现高效率。RFG1M09180实现Doherty应用的典型电路如图3所示,图4RFMD提供的Doherty评估板,采用Taconic RF60板材。VDRAIN=+48V, Vg_carrierVg_peak为负压供电,调整Vg_carrierVg_peak的负压值,使Doherty工作于最佳的线性和效率状态。

3.RFG1M09180实现Doherty应用的典型电路

4. RFG1M09180实现Doherty应用的评估板

Doherty应用+48V漏极供电的情况下,在865-895MHz带内,输出功率Pout可以达到50dBm,漏极效率高达50%,增益亦可达到17dB,在采用DPD的情况下,ACP可以达到-55dBc

RFMD公司也提供了GaN大信号ADS模型供客户仿真外部匹配使用。图5为用RFG1M09180ADS模型实现的增益和效率的仿真结果,从结果上看,仿真值与器件的设计指标相对吻合。

 
 

5.RFG1M09180ADS仿真结果

RFG1M09180Doherty应用在3GPP信号输入下的具体测试指标如图6所示,在50dBm功率输出时,漏极效率可以达到50%,而在应用DPD的情况下,Alt可以从-38dBc改善到-55dBc以下,可以满足基站系统协议的指标要求。

 

图6.的Doherty应用在3GPP信号输入下测试指标

除了以上介绍的RFG1M09180 GaN1用于基站应用的相关产品,RFMD也开发了GaN2用于CATV等领域的产品,同时RFMD公司也正在致力于开发线性更好,效率更高的GaN3类产品。总而言之,RFMD公司可以对用户大功率放大器的相关需求提供完整的产品目录和相关应用解决方案。

 

参考文献

1.       RFMD RFG1M09180器件手册

2.       A new high-efficiency power amplifier for modulated waves. –W.H.Doherty


上一篇:无增益折衷的CMOS LNA输入... 下一篇:Qualcomm Atheros...

版权声明:
《南宫国际28官网 》网站的一切内容及解释权皆归《南宫国际28官网 》杂志社版权所有, 未经书面同意不得转载,违者必究!
《南宫国际28官网 》杂志社。


友情链接
  首页 | 关于我们 | 联络我们 | 加入我们 | 服务条款 | 隐私声明
Copyright© 2025: ; All Rights Reserved.
粤公网安备 44030402004704号    备案序号:粤ICP备12025165号-4
Baidu
map