广告:时间还剩10
 
免费订阅一年期杂志
天线 解决方案 信号分析
技术文章
 
覆盖LTE频段的天线增强器-调谐器组合
材料来源:《南宫国际28官网 》2019年3/4月号           录入时间:2019/3/25 11:02:56

Antenna booster-Antenna Tuner Combo Cover LTE Bands

Aurora Andújar, José L. Leiva, Fractus Antennas, Jaume Anguera, Fractus Antennas and Universitat Ramon Llull, and Cor Schepens and Roberto Gaddi, Cavendish Kinetics

由于LTE频段数量众多,无线设备需要许多复杂的多频天线设计1-12。与仅使用824至960和1710至2170 MHz的2G和3G相比,4G的最大挑战之一是大工作带宽:698至960和1710至2690 MHz。低频区域的较低频率,尤其是698至960 MHz的频率,加剧了挑战,因为与工作波长相比,天线必须很小。

本文介绍如何结合Fractus Antennas的86.4 mm3小型天线增强器与Cavendish Kinetics仅占2 mm2面积的小型天线调谐器实现一个天线系统,覆盖698至2690 MHz频率范围内的LTE频段。

增强器+调谐器

虚拟天线TM技术13-18依赖于非常小的天线元件,称为天线增强器,这使其成为满足LTE带宽要求的一个好方法。使用匹配网络,不通过设计复杂的天线几何结构来调整工作频带,而只调整适当的匹配网络,这更快且更经济高效。相同的天线增强器可以适应不同的平台尺寸,因为只有匹配网络从一种设计改变到另一种设计18。这与传统天线设计不同,传统天线设计在不同情形下几何形状必须分别设计。除了体积小外,天线增强器也是表面贴装元件,简化了它们在无线设备中的集成(见图1)。

 

1:天线增强器,尺寸为12 mm×3 mm×2.4 mm,安装在智能手机PCB的一角。

天线调谐器是精确、低损耗、可变电容器,可承受高RF电压,是可调谐天线、动态负载调谐器、可调谐滤波器和需要高压操作的模拟RF应用的理想选择。Cavendish Kinetics天线调谐器采用获得专利的RF MEMS技术,消除了传统绝缘体上硅(SOI)或GaAs RF前端的高插入损耗和RF电压处理的局限性。

Fractus天线增强器与Cavendish Kinetics天线调谐器的结合设计支持698至2690 MHz频率范围内的所有通信频段19-20。这种增强器与调谐器组合的主要优点是:无线设备可以在整个频率范围内动态优化特定带宽的性能,为平台提供最大辐射,以支持每个覆盖范围和用户使用场景。

采用Cavendish Kinetics的RF MEMS技术和制造工艺生产的器件具有高准确性和可靠性,即使在1000亿次循环使用后仍能满足全部规格要求21-22。32CK301R SmarTune™天线调谐器(见表1)用于演示本文中的设计概念。可提供具有更宽电容范围的产品,Cavendish Kinetics的调谐器系列提供0.4到3 pF的各种电容范围。所有SmarTune天线调谐器均通过MIPI RFFE接口进行控制(见图2),调谐器的功能是独立的,由控制器中的逻辑电路管理。

 

 

2天线调谐器框图(a)和照片(b),调谐器的尺寸为1.4 mm×1.4 mm

可重构匹配网络

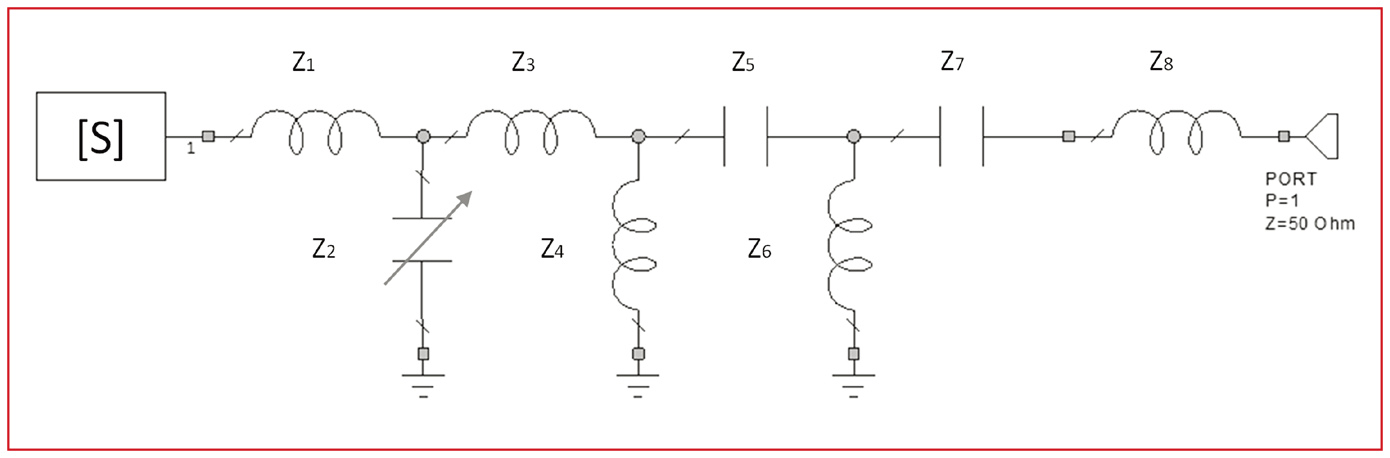
如图3所示,本文所提出的可重构匹配网络包括MEMS可调电容器(Z2)和七个集总电容和电感(见表2)。在这种设计中,来自村田制作所的所有无源元件均为SMD 0402型,具有高Q值和严格的公差。可调谐电容器具有32个状态,数字控制,每个状态对应于0.4到1 pF的电容值。在本设计中,值和状态的对应关系为0.40(S00)、0.44(S02)、0.55(S08)和0.92 pF(S27)。

 

3可重构匹配网络。Z2Cavendish Kinetics的可变电容器。

没有匹配网络的天线增强器的阻抗特性非常差,特别是在低频,从698到960 MHz,其中|S11|低于-1 dB17。但是,通过多频带匹配网络,可以在不改变天线几何形状的情况下轻松调整性能。天线增强器的位置对于激发地平面的有效辐射模式是重要的。在此设计中,选择了地平面的一个角16-17

可调谐电容器的状态通过接地平面末端的并行接口由软件控制。该接口将评估板连接到运行Cavendish Kinetics的SkyWalker软件的PC,该软件用于将阻抗调谐器设置为32种状态中的任何一种。

由于接地平面是辐射的重要贡献者,为了避免在测量天线性能时接口连接产生不良影响,使用了以下程序:通过连接接口选择阻抗调谐器的所需状态。在设置状态之后,接口连接被移除,接地平面上的电池向调谐器提供DC电压以维持该状态。这使得天线效率和S11的测量不受接口连接的影响。

图4给出了右侧带有电池和10针并行接口的评估板。UFL电缆将天线增强器连接到安装在电路板边缘的SMA连接器。

 

4集成Fractus天线增强器、Cavendish天线调谐器和匹配网络的FR4评估板。

性能结果

对于每个天线调谐器的四种状态,总效率(ηt)通过Satimo Stargate-32测量系统在暗室中测量三维方向图获得(见图5)。总效率包括辐射效率(ηr)和失配损耗,其中ηtr•(1 - |S11|2)。测量数据显示,状态S27覆盖一些LTE低频带,即从698到746 MHz,而状态S08覆盖746到824 MHz。

 

54种状态下测得的效率。

为了评估天线调谐的有效性,将覆盖698至960和1710至2690 MHz的无源匹配网络设计与此有源调谐设计进行了性能比较(见表3)。该表显示无源网络未覆盖所有LTE频段。天线调谐在低LTE频段(即699至798 MHz)中的优势明显。在频带12,有源解决方案的效率比无源设计高5.4 dB,在频带13和14效率高3.6 dB。在其他频带的效率相当,即1.4 dB以内。

载波聚合

评估板设计适用于载波聚合(CA),可同时使用多个LTE频带来提高数据速率。表4给出了为每个带间CA对推荐的天线调谐器状态。

结论

安装在120 mm×60 mm的地平面上、体积为86.4 mm3的小型天线增强器,配有可重构的匹配网络,蜂窝频段的覆盖范围为698至960和1710至2690 MHz。为了实现最高性能,可重构匹配网络采用MEMS可调电容和无源器件设计。测量的平均总效率高于40%,使得这种设计方法适用于大多数无线和移动设备。 

致谢和参考文献(略)

Fractus Antennas将在4月1-3日举行的EDICON上开设半天的天线课程,讲授虚拟天线技术。点此报名参会


上一篇:用二极管设计:保护敏感元件 下一篇:5G OTA测试所面临的有效性和...

版权声明:
《南宫国际28官网 》网站的一切内容及解释权皆归《南宫国际28官网 》杂志社版权所有, 未经书面同意不得转载,违者必究!
《南宫国际28官网 》杂志社。


友情链接
  首页 | 关于我们 | 联络我们 | 加入我们 | 服务条款 | 隐私声明
Copyright© 2026: ; All Rights Reserved.
粤公网安备 44030402004704号    备案序号:粤ICP备12025165号-4
Baidu
map