广告:时间还剩10
 
免费订阅一年期杂志
天线 解决方案 信号分析
技术文章
 
采用宽带阻抗变换器的PHEMT分布式功率放大器
录入时间:2013/7/23 17:50:26

 

介绍一个采用宽带阻抗变换器的非均匀漏线分布式功率放大器(DPA)。DPA基于GaAs PHEMT工艺。阻抗变换器利用非常对称耦合线,将放大器的低输出阻抗变换到标准的50Ω传输线。在频率范围从10到1800 MHz,放大器输出功率约为600 mW,关联增益为9 dB,功率附加效率(PAE)大于30%。

分布式功率放大器(DPA)在宽带宽范围具有平坦增益、线性相位响应、以及低回波损耗为人们所共知。然而,通常的DPA的功率附加效率(PAE)一般不超过20%。漏极电流分成两个分支,波向输出负载和虚终端传播,这是造成退化的主要原因。一些研究小组已经针对DPA的低效率问题和受限的输出功率进行研究,提出了解决这些局限性的办法。为增加DPA的效率,每个晶体管的漏极电流必须加入到负载端口。通过这个方法,可以缓解漏极虚端口的影响。另一种对于非均匀DPA的设计方法,对每个器件利用优化的载荷使功率和效率最大化。K. Krishnamurthy等人描述了一个没有输出合成的传输线,这里在共源和共栅器件间采用阻抗匹配部件来提供延迟平衡。

本文论述一种可选择的设计方法,方法基于虚拟阻抗分析,考虑多电流源,采用一个耦合线的阻抗变换。描述的方法使效率增加至软件定义的无线电(SDR)驱动PA应用的水平。

设计方法


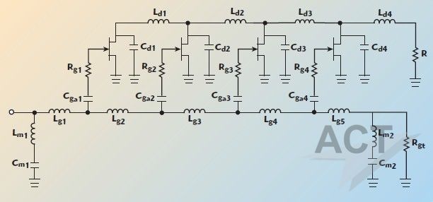
图1 简化的采用非均匀漏线的四段DPA。

在图1所示的DPA拓扑中,每个器件对放大器的总输出阻抗有贡献。选择负载阻抗的值R使在具有非均匀漏线的四部分PHEMT DPA需要的频率范围内有最佳功率性能。一个m驱动部分在栅线的两端实现。每个器件供电为5 V,每个栅的偏置电压为0.44 V,这使有源器件在AB类工作。通过采用非均匀栅线设计和选择输出负责R等于12.5欧姆来实现在栅和漏线之间必要的相位速度同步。

为了在宽的工作频率范围将整个电路匹配到标准的50欧姆负载,采用具有1:4转换比的宽带阻抗变换来实现。在这个设计中采用的阻抗变换器是基于如图2所示的非对称、均匀耦合线。耦合线的尺寸为l=42.14 mm、w1=0.53 mm、w2=1.57 mm、w3=1.21 mm、w4=1.5 mm。与传统的多个四分之一波长传输线相比,耦合传输线具有更大的自由度、更紧凑的优点。传统上,耦合和通过端口是短路或开路的,从带宽的角度考虑这不是一个最佳选择。当在耦合和直通端口用阶梯阻抗传输线加负载,变换器的工作带宽能有很大的增加。在这种情况下,采用的结构是四分之一波长长。与传统的四分之一波长变换器相比,这提供三倍的工作频率范围。

宽带阻抗变换器的性能通过全波三维仿真进行检验。输入(端口1)端接12.5 Ω线,端口3连接50ΩSMA连接器。在实际测量中,因为端口1将与50ΩSMA连接器相连,连接器的双端口S参数数据为了得到精确结果必须进行去嵌。在整个工作带宽,测量的插入损耗小于1.5 dB。

选择一个中功率的PHEMT器件(Avago公司的ATF511P8)实现功率放大器。器件的漏端负载效应可以忽略,然而,它的输出阻抗的电抗部分(Xopt(w))在定义漏线截止频率fc中起重要的作用。提取输出电容值Copt(包括封装寄生)结果为4 pF。放大器的截止频率可用下式估计:

因此,可以选择漏端电感的值Ldi(这里i=1…4),达到大约2GHz的fc。忽略虚漏极端口,改善总效率。

测量结果

为了从实验上验证具有宽带阻抗变换的高效率DPA概念,用Rogers三层印刷电路板(PCB)材料制作了原型电路,材料的相对介电常数er=3.66厚度=0.762 mm。为达到稳定的目的,每个部分的串联栅电阻Rg(k)=5Ω。最上层用于集中原件以及RF和DC走线。图3为制作的DPA板的照片。DPA的有效尺寸是24×74 mm。

测量的大信号DPA特性如图4所示。输出功率~600 mW,增益为9 dB,PAE超过30%。仿真和测量结果符合很好。这证明在低频率下PAE大于38%。在整个工作带宽效率超过30%。显然测试结果证实得到高效率的想法。然而,在更高频率工作的DPA的性能可以通过变换器的优化进一步提高。

变换器概念是为与DPA的集成选择性的解决办法。另一方面,采用GaN HEMT,实现了从100到1800 MHz高功率特性,这适合于SDR应用的高输出功率水平。

结论

本文给出了采用非均匀漏线的DPA。选择的结构表明与传统的设计相比在效率方面特性得到了提高。放大器的效率和输出功率通过减小输出阻抗值得到进一步提高。放大器的输出阻抗用基于耦合传输线的紧凑、宽带分布式阻抗变换器转换为标准的50欧姆端口。提出的方法可以在宽的频率范围增加DPA的效率到一般大于30%。电路结果展示了适合于SDR DPA驱动应用的功率特性。

图2 紧凑的阻抗变换器(a) 电路示意图,(b)微带线实现。

输入 阻抗段 耦合线 输出 空气桥

图3 高效率DPA原型板照片。

图4 随频率变换的DPA的测量(点线)和仿真(实线)结果。

频率 增益


上一篇:NI PXI为汽车无线电和GPS... 下一篇:AULOS—无源隐蔽雷达系统

版权声明:
《南宫国际28官网 》网站的一切内容及解释权皆归《南宫国际28官网 》杂志社版权所有, 未经书面同意不得转载,违者必究!
《南宫国际28官网 》杂志社。


友情链接
  首页 | 关于我们 | 联络我们 | 加入我们 | 服务条款 | 隐私声明
Copyright© 2025: ; All Rights Reserved.
粤公网安备 44030402004704号    备案序号:粤ICP备12025165号-4
Baidu
map